MENU SẢN PHẨM
- MÁY HÓA HƠI
- BỘ ĐẢO CHIỀU TỰ ĐỘNG
- ĐỒNG HỒ ĐO LƯU LƯỢNG GAS
- VAN ĐIỀU ÁP
- ĐẦU DÒ GAS RÒ RỈ
- DÂY CAO SU CAO ÁP
- VAN BI HWA SUNG
- VAN AN TOÀN ĐƯỜNG ỐNG
- ĐỒNG HỒ ÁP SUẤT LPG
- VAN MỘT CHIỀU
- VAN AN TOÀN BỒN CHỨA LPG
- VAN CẦU NỐI BÍCH DÙNG CHO LPG
- ENOLGAS VALVE
- VAN ĐIỆN TỪ MADAS
- VAN BI KHÓA ĐƯỜNG ỐNG
- LỌC GAS
- VAN NGẮT QUÁ ÁP S300 HP ELSTER
- VAN NGẮT QUÁ ÁP OPSO
- VAN ĐIỆN TỪ
- SUN KOREA VALVE
- MS VALVE
- ĐẦU ĐỐT CÔNG NGHIỆP BALTUR
- JEONG DAE VALVE
- TARTARINI CRONOS REGULATOR
- THIẾT BỊ DÒ KHÍ MIRICO
- TỦ ĐIỀU KHIỂN HỆ THỐNG GAS
- van bi nối ren Hwasung
SẢN PHẨM ĐẶC BIỆT
MÁY HOÁ HƠI LPG LÀ GÌ?
MÁY HOÁ HƠI LPG LÀ GÌ?
MÁY HOÁ HƠI LPG LÀ GÌ?
MÁY HOÁ HƠI LPG là thiết bị dùng để hoá hơi gas LPG Lỏng thành LPG hơi để sử dụng. Trong trường hợp LPG hơi được sử dụng nhiều gas lỏng hoá hơi tự nhiên không đáp ứng đủ lúc đó ta cần sử dụng MÁY HOÁ HƠI để hoá hơi gas LPG lỏng.
Máy hoá hơi Gas LPG tự nhiên (LPG Vaporizer) là loại máy hoá hơi cho LPG lỏng từ chai hay bồn chứa công nghiệp và cung cấp năng lượng nhiệt để làm nóng nước và làm LPG hóa hơi. Máy hoá hơi Gas LPG được ứng dụng phổ biến và lắp đặt trong các hệ thống tồn trữ, phân phối Gas trung tâm
Máy hoá hơi LPG hoạt động theo nguyên lý: Nguồn điện được cấp cho các thanh điện trở nhằm gia nhiệt nước bên trong máy hoá hơi. GAS LPG lỏng chạy bên trong đường ống ruột gà được gia nhiệt bằng nguồn nước nóng bên ngoài, lúc đó LPG Lỏng sẽ chuyển thành hơi và đi vào bên trong để sử dụng.
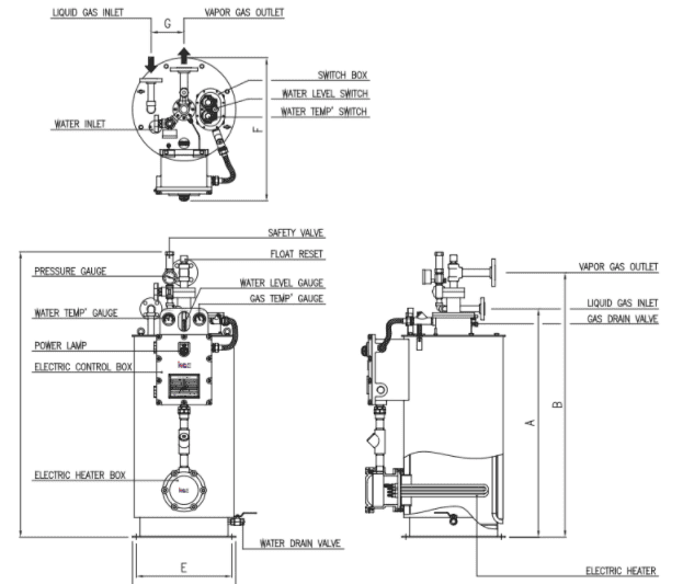
Cấu tạo máy hoá hơi LPG bằng điện.
- Thanh Điện Trở: Thanh điện trở của máy hoá hơi LPG thường sử dụng nguồn điện 3 pha 380V để gia nhiệt lượng nước bên trong thân máy.
- Van an toàn: Bảo vệ thiết bị trong trường hợp quá áp
- Phao an toàn: Nhằm hạn chế tràn lỏng trong trường hợp mất điện hoặc lỏng không hoá thành hơi kịp, lúc này phao an toàn sẽ đóng lại ngăn lỏng chảy vào đường ống công nghệ.
- Đồng hồ nhiệt độ của nước: Thể hiện nhiệt độ nước trong quá trình hoạt động
- Đồng hồ áp suất: Thể hiện áp suất Gas LPG Lỏng đầu vào.
- Hộp điều khiển: Điều khiển nhiệt độ ở ngưỡng cao và thấp của máy hoá hơi.
.png)
.png)
Trên đây là một số thông tin cơ bản về MÁY HOÁ HƠI LPG bằng điện, Quý khách hàng cần thêm thông tin tư vấn vui lòng liên hệ chúng tôi để được tư vấn chi tiết hơn:
Chúng tôi chuyên phân phối đầy đủ thiết bị máy hoá hơi chính hãng như:
- Máy hoá hơi KGE
- Máy hoá hơi Entec
- Máy hoá hơi Kagla
- Máy hoá hơi ITO KOKI
- Máy hoá hơi Jinu
- Máy hoá hơi MS Eng
Hàng chính hãng, bảo hành 1 năm theo nhà sản xuất.

